Game Console
A game console with a running game on it powered by arduino and an LCD screen
Created by
PenguinBoyMo
5 views
0 followers
Timeline
PenguinBoyMo
added to the journal ago
Made code
I made the code so it will work still haven't tested it out next will be to test it and type my read.me tthen I'll be done with this I'll finish by sunday
PenguinBoyMo
added to the journal ago
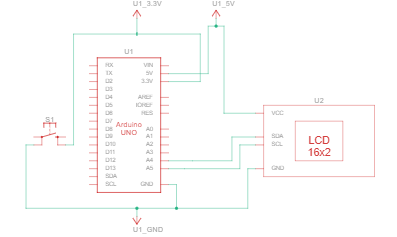
Scematic
I really forgot how to use an LCD I was using a 3 by 16 until, I realized It wouldn't work for the game so I had to redo the wiring AND THEN I remembered to use and LCD screen after I spent 50 minutes tring to figure this out, next is code I'll have Hackatime help me with this one.
PenguinBoyMo
added to the journal ago
Figured out what to use
I went throught my part and found the part I will need I think I will finish this on wednesday as it is a very simple project this will be powered by and arduino R3 I am also planning on making a case with my friend 3D printer, It took an hour but It'll be worth it

PenguinBoyMo
started Game Console ago