HandPad
HandPad is a hackpad specifically designed to use it while making cad models it have a very unique design and can be wearable on lft hand finger with encoder used by thumbs
Created by
Amu 🚀
Tier 4
10 views
0 followers
Timeline
Amu 🚀
submitted HandPad for review ago
Amu 🚀
added to the journal ago
Firmware
18 Dec -19 Dec 
Putting the image above so that it remain As banner
Uhh now it comes to most irritating part the firmware it is irritating because it never goes correct way for first two hours i constantly tried to put kmk firmware into xiao i was following claude because i didn’t know how to do that it followed me a completely wrong way to download i also dont notice the thing was that kmk requires circuit python but it told me to install micropython i even noticed that i just constantly tried to run kmk in that it even made my laptop lag with those files idk why then on 19 dec i saw that i was doing whole thing wrong installed circuit python and then added kmk into it after that it was not working asked in blueprint channel and kie told me to firt go for switches then tried with switches and after 40 min of here and there finally ran switches then it took no time for leds and rotary to run the lcd is not working idk why it showing some error and i have exam in two days and mom snatched my phone so journaling with phone i am just shipping it since 90% of project is completed yay 

The above image at the was rendered with real image and did some colour correction with gemini
Amu 🚀
added to the journal ago
Solder Components
18 December 
First when the pcb came i cut the econder part from the main board and started working one , for 10 min did some sanding to the pcb at coner then soldered led they were som small took me 20 min to solder but it was fun then soldered the xiao and switches and check if the switches were looking good or not then i make a hole for encoder which took me around 40-50 min to do so because i was making a hold with a lighter and a knife dont wanted my soldering iron to get ruined uhh it was worst decision to not make hole while cading the pla material was a first thing for me so idk how it melted it literally created a mess but this was only i could do 
After that i solder encoder and wires to and and attach it to the main board
now it comes a another challenging part uff the oled screen hole was not perfect so i manually make the hole big after scratching with knife then soldered the pink and fixed to the cover 
Amu 🚀
added to the journal ago
Giving proper look to printed parts






First sanded the printed parts which got to me today uhh it took a lot of time but yeah now its with me so with make it good after rubbing the surface and making it look smooth with a sand paper, it was first time for me to sand a custom designed 3d printed part but yeah it was good experience it took me more than hour to sand then i took a permanent marker which not so permanent can be removed with alcohol base cleaner which important because i know that how much i am good and finishing touches but nvm i tried my best and painted every single circle and grip side and design side of the handpad thus now its looks good waiting for my pcb to come because kit is alr arrived yehh
CAN ⚡🚀
approved HandPad ago
Tier approved: 4
Grant approved: $20.00
Crazy hackpad
CAN ⚡🚀
submitted HandPad for review ago
CAN ⚡🚀
submitted HandPad for review ago
Amu 🚀
submitted HandPad for review ago
Amu 🚀
added to the journal ago
Made Case and Completed Full Models
Hmm after making pcb so today i decided to make full case and model of the handpad since it was to be wearable at left hand so i start making the box and and then did champfer at edges and made some holes for fingers to slide in ,also as i was making it with perfect dimensions i made four cylinders and made a hole for pcb 
After that inserted pcb and then add screws to it also it took me a hours just to make the encoder and pcb separate and split sincethe pcb has to many layers in cad so it needs to split one by one in perfect shape so that encoder could placed at left and made no hole for encoder as i think it could be easily made with a solder or something else as per use tho i made holes for mount so that it oriented according to thumb position after that i imported oled display and made a cover for the pad 
I have tried the whole case design wise good so added circle pattern took me 10 min but yeah its good then assembled the whole case and yeah it get so perfect fit even making them separately, 

Amu 🚀
added to the journal ago
20 Nov Redesigned the pcb and routed
i showed to my sister what i made but she was confused like how i would be using encoder if wear the the hackpad over the fingers this made me also think yeah then i have to look for another way so after taking some suggestion i decided i will keep the enocoder on side so that it cont be easily roated with thumb along with switches so the prob was that i need to make make a nother pcb for encoder but looked at internet i decided to make a such design so that it could be cut form the edge and mounted in the case for wiring it could be done by placing two 3 pin holes along each side so that it can be hand wired or attched with jumpers i also added mounting holes in the pcb and ther was nothing much done in schematics other than 2 three pin connectors.png)
.png)
.png)
uhh since i have to make cad aslo i forgot to journal it yeterday so doing now and also forget to add the routing i done hmm rathar than making three journal hmm i would add in this
so yeah i routed the pcb it littery take time tbh first i thought to use auto route but didnt used it but yeah after patience i routed it and then make the whole ground plane idk why idi that just someone told me to do so yeah .png)
Amu 🚀
added to the journal ago
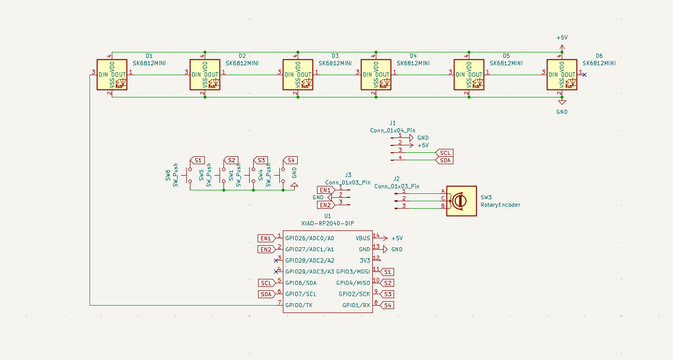
20 Nov -Made the Schematics and Pcb
hmm first of all i decided to make a hackpad which i could use in my day to day life so after a thought i decided to make a such hacpad which can easily wear on my hand specially left hand while making cad models also i could be widely used for the upcoming program construct by one for freedom
i started with going throught the hackpad guide and the midi keyboard guide to see the wiring for the leds and switch also for the rotary encoder then i feel i dont need the extra switch with the encoder so used diff symbol i added 6 leds and four btns for it and one encder which be using forr macro need for cad as it would be wore on hand which need to figure out how to do
so this what i made .png)
then assigned foot prints to it and also made pcb added some cool design to pcb and did alignment of components , for the i also add models of swithc and xiao so that it could look good and here how it looks.png)
.png)
.png)
.png)
Amu 🚀
started HandPad ago