Cyberboard V2
A cyberpunk-themed STM32 development board featuring Bluetooth 5.1 connectivity and integrated Li-ion/LiPo battery charging support. Now with all the errors fixed from the last design and more sensors!
Created by
NotARoomba 🚀
Tier 3
1286 views
13 followers
Timeline
muhammadbalasidi
gave kudos to Cyberboard V2 ago
Super
pn2222a
gave kudos to Cyberboard V2 ago
Wonderful Blender Render!
ivarhak08
gave kudos to Cyberboard V2 ago
Awesomesauce
imranstab703
gave kudos to Cyberboard V2 ago
WOAH THAT'S COOL WTF
d**nn
gave kudos to Cyberboard V2 ago
wow i wish i could get one right now to test
a**vd
gave kudos to Cyberboard V2 ago
Waow
Simha Saraswati
gave kudos to Cyberboard V2 ago
awesome cool!
matej.bielik
gave kudos to Cyberboard V2 ago
cool asf
CAN ⚡🚀
approved Cyberboard V2 ago
Tier approved: 3
Grant approved: $102.00
sick
NotARoomba 🚀
submitted Cyberboard V2 for review ago
technical_.
requested changes for Cyberboard V2 ago
I'm sorry gang but this ain't a tier two its a tier three. This is a cool project but this is just a devboard + more peripherals.
NotARoomba 🚀
submitted Cyberboard V2 for review ago
NotARoomba 🚀
added to the journal ago
Blender Render, Panelization, and LCSC
After fixing some pins that were out of order due to routing, I started rendering the PCB in Blender based on the last file.


It looks a bit drab so I am going to add in more lights like in Trace and see if that helps out a bit.
Meanwhile, I decided to panelize the PCB because in V1, there was a lot of extra space that I could use to make more copies and not have to pay extra.

After that I also exported the BOM and went to LCSC to check out how much it cost and it was surprisingly cheap at (taking advantage of the MOQ for most).
I also had to specify the stackup (which I kinda forgot to do for Ember but I sent an email requesting to change it). This also meant that I had to change the width of the traces and also the width of the board.
NotARoomba 🚀
added to the journal ago
Finished Routing and Antenna
I spent a bit of time finishing up the routing and also making sure that everything looks neat including the silkscreen:

I somehow did it and managed to fit an IMU and Barometer in such a tiny 1 SIDED BOARD
I had fun routing the antenna as I had a crisis and thought I had my antenna for Ember wrong but I just recalculated the impedance badly

It's a 4 layer board so SIG/GND/PWR/SIG and I had some stitching vias for 3v3:

Aside from that I just finished routing and tmrw I'll start work on the renders and also getting feedback from the KiCad Discord.
NotARoomba 🚀
added to the journal ago
Pin Selection (BEFORE PREVIOUS JOURNAL)
I started selecting the pins on STM3CubeMX and wanted to use I2C for the BMP580 and then SPI for the IMU. Another design requirement is that I wanted it as far away from the Bluetooth antenna as possible, which is why I decided on this pinout:

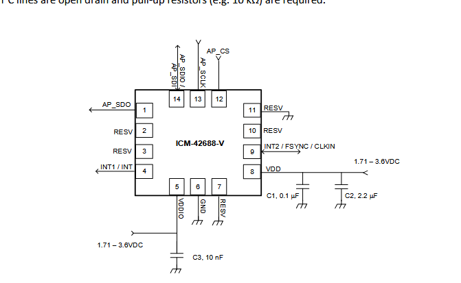
I might interchange the CS and interrupt pins as to better route it later but that's a good starting point. I then finished wiring the ICM:

AND I REMEMBERED TO ADD PULL UP RESISTORS TO THE I2C LINES

then I had to organize the schematic a bit as there wasn't any space for the new sensors lol

I then edited the footprints and made sure that all of them were at least 0402 (ptsd soldering 0201).
I forgot that I had this draft saved on one laptop so when I used another I pushed a journal from there and I forgot about these changes so aja, this journal comes before PCB Layout and Routing
NotARoomba 🚀
added to the journal ago
PCB Layout and Routing
I started the layout of the PCB and noticed a few errors in my schematic and fixed them (I2C lines strike again) and then had something like this:

I found out that I can compact the board alot and make room for the antenna as I plan to use the bottom layer mainly for the GPIO's as the top layer is kind of busy with all of the passive components.
I organized it a bit more and got this layout, but I wasn't satisfied with the way that there was a squareish hole off center so I redid it again

(before)

(after)
And after that I didn't liked how it looked so I went back to the original and planned on putting a V2 in the squareish hole.
I then started routing up the design and also making minor changes here and there to not cover some silkscreen, I also enjoyed routing this section as I find that it looks cool the stripe effect:

NotARoomba 🚀
added to the journal ago
Fixed Schematic and Add Sensors
So after the first iteration of the Cyberboard, there were a lot of issues, mainly me being stupid and not using the right values but also in the design of the PCB (not using 4 layers) so in this version I am going to fix that and upgrade it by adding an IMU/Barometer to make it the ultimate devboard for small projects!
Ah and I also plan on hand soldering it / reflow it using my custom hotplate (lol making tools to make tools) so it will be way cheaper and make up for my past mistakes.
I will be adding on the ICM-42688 and BMP580 and also I was thinking about reducing the size of the buck-boost converter as it was one of the biggest contributors to price/complexity on the board. So like any good engineer, I went on LCSC and searched for the most used DC DC converter to implement and found TPS631000 and it's perfect looking at the application implementation:

I think with this I can rewire the board completely and add in more functionality. So I thought about what other cool functionality and I decided on adding in a current sensor for the battery

I also found a cheaper battery charging IC: BQ24072RGTR instead of the BQ24074RGT
The only thing they have differently is one pin that instead of ITERM it's TD:

AND IT'S WAY CHEAPER AND COSTS ONLY 0.8 USD INSTEAD OF 3 USD
AND IT's LITERALLY A DROP IN REPLACEMENT FOR THAT CHIP:

I just had to change the value for TD to a more standarized value but it should work the same as a pull down resistor:

Reading through the datasheet I also saw that the example application was using a custom timer and to reduce cost even more I decided to use the default timer as that will suffice.

After I got the battery fixed I went on and fixed the decoupling capacitors for the STM32:

After that I imported the new buck converter and looked at the datasheet:

I had to import this inductor DFE252012P-1R0M=P2 as it was specified in the datasheet:

After setting up the rest of the pins, I came up with this:

Now it's time to set up the sensors that I'll be using (ICM-42688-PC and BMP580):

Thankfully I have enough pins free on my devboard, and you can't say that a devboard is a devboard if you aren't using all of the pins lol.

but before deciding on which communication interface I'm going to use, I'll have to edit the pins on STM32CubeMX:

I originally had some EVENTOUT pins that labeled which pins weren't going to be used but this time, I am going to try and use all of them. In total I have 11 pins free to play around with, I plan on using LED's with the extra pins to at least have 3 status ones.
NotARoomba 🚀
started Cyberboard V2 ago