simha's desktop humidity/temprature monitor
This is a simple temperature and humidity monitor using the DHT22 , and the RP2040. I used a 0.91" 128x32 4 pin IIC OLED display to show the temperature and humidity. I made a case in AutoDesk Fusion 360 that encases it simply and cleanly.
Created by
Simha Saraswati
Tier 4
47 views
0 followers
Timeline
CAN ⚡🚀
approved simha's desktop humidity/temprature monitor ago
Tier approved: 4
Grant approved: $43.00
Nice project
Simha Saraswati
added to the journal ago
I havent really been working on it but the submission proce
So i am waiting for this to be reviewed by clay
Like i am actually cooked, i don't think im going to prototype if clay doesnt get on this soon
RIP!!!!!!
Simha Saraswati
submitted simha's desktop humidity/temprature monitor for review ago
Iamalive 🚀
requested changes for simha's desktop humidity/temprature monitor ago
You need to make a seperate BOM.csv! Please make one, update your repo, and resubmit!
Simha Saraswati
submitted simha's desktop humidity/temprature monitor for review ago
nimit 🚀
requested changes for simha's desktop humidity/temprature monitor ago
Could you show the PCB settings in the cart screenshot? Just the page before this one. Also, the Aliexpress screenshot seems to be missing half the items? Just make sure to add all the items alongside the total price. Also make sure the BOM has links and prices!
Simha Saraswati
submitted simha's desktop humidity/temprature monitor for review ago
Iamalive 🚀
requested changes for simha's desktop humidity/temprature monitor ago
Hi, your description seems to be a bit confusing, as this is what we see: " A basic humidity and temperature monitor using the RP2040 and DHT22 modules. Meant to sit on your desk or bedside table. *NOTE I DON'T HAVE CART SCREENSHOT FOR THE 3d PRINTED CASE SO I ADDED 10$ BUFFER TO THE FUNDING Final E-commerce Cost Calculation Here are the final total costs identified in the four images including all shipping and fees: AliExpress Checkout (Screenshot 2025-12-02 223539.png): Final Total: $10.86 JLCPCB Checkout (Screenshot 2025-12-02 224115.png): Grand Total: $4.49 Seeed Studio Checkout (Screenshot 2025-12-02 222711.png): Order Total: $9.59 ADDICORE Checkout (Screenshot 2025-12-02 223433.png): Final Total: $15.21 Grand Total To find the final overall cost we add these totals together: $$10.86 + 4.49 + 9.59 + 15.21 = 40.15$$ The total final cost for all four orders is $40.15. +~ 10$ 3d print + shipping buffer = 50$ (i am not tryna be greedy, I am just trying to figure this whole thing out, please tell me if anything cheaper exists)". Could you tidy this up and explain a bit clearer? Also, for 3d printing, unless you have your own printer we will be using #printing-legion! If you post your step file there, you can find the nearest printer to your location and will only need to pay the shipping cost.
Simha Saraswati
submitted simha's desktop humidity/temprature monitor for review ago
Simha Saraswati
added to the journal ago
Add MT holes to pcb, made firmware, made the case! YAYE!
Today, I basically first did the thing I said I would do yesterday which was add the mounting holes. Then I did the case in fusion 360 which was a bit tricky until I learned about point to point movement which was AMAZING! I also did the firmware in Circuit Python which was fun.
So basically I am done IG which is weird since this entire project took 2 days which isn't very normal.
I will also add a bunch of screenshots.
THANKS HACK CLUB!
Simha








Simha Saraswati
added to the journal ago
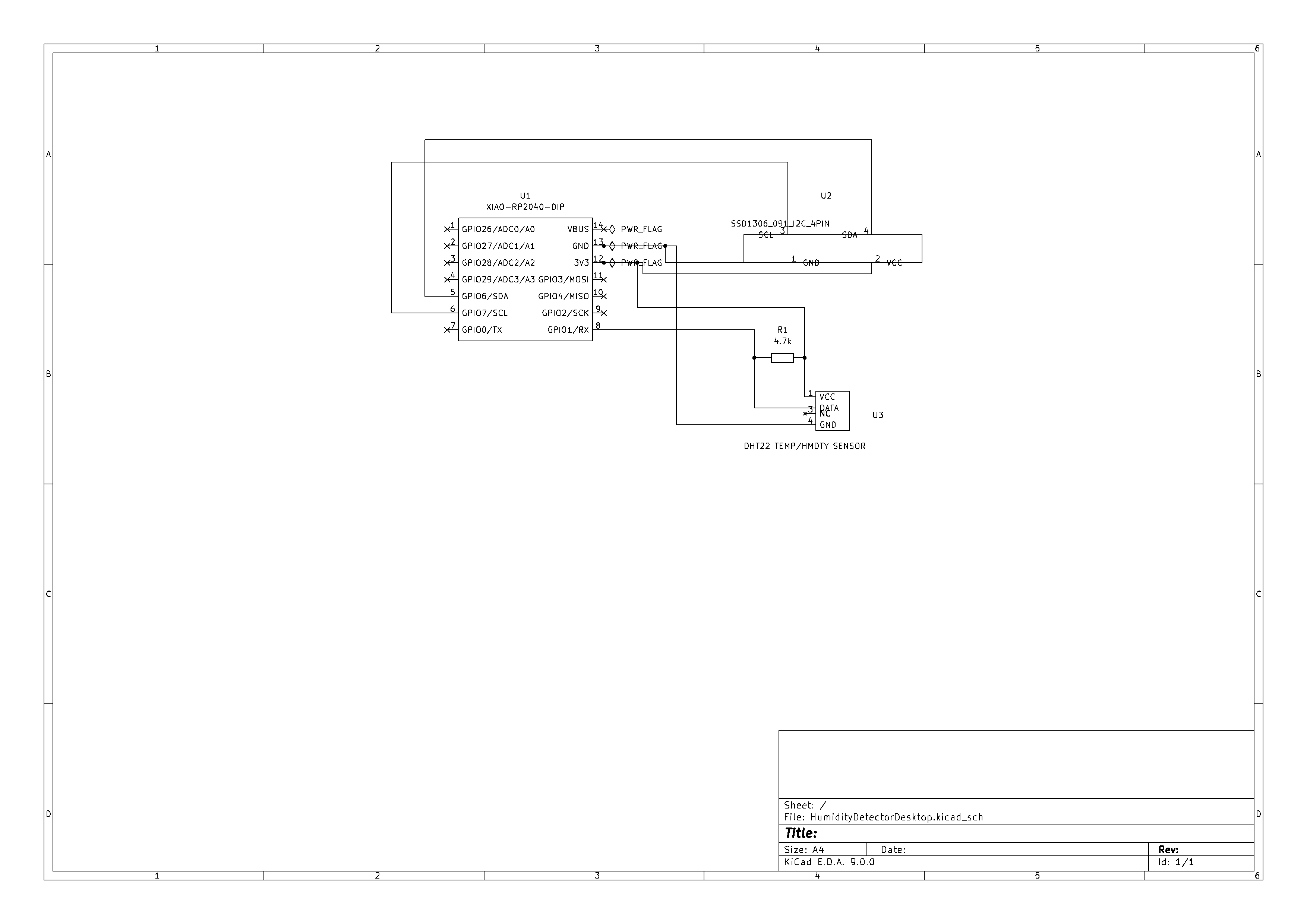
Finished the PCB
Today, I made and finished the PCB in Kicad. This uses the same screen from the Hackpad, aswell as the same microcontroller as the hack pad (SEEED XIAO RP2040).
It was pretty easy. The biggest help was using AI models like Gemini walk me through it since I am still kinda new to Kicad but hope to develop my skills further.
I will probably start the case tomorrow and also probably add mounting holes since I forgot to.
THANKS HACK CLUB,
Simha




Simha Saraswati
started simha's desktop humidity/temprature monitor ago