Shaw!
Devboard based on the blueprint guides to learn basics of electronics and PCB design.
Created by
matepnew 🚀
Tier 3
36 views
1 follower
Timeline
CAN ⚡🚀
approved Shaw! ago
Tier approved: 3
Grant approved: $66.00
matepnew 🚀
submitted Shaw! for review ago
1Mon
requested changes for Shaw! ago
you should only be getting 2 boards PCBA'd, please change this, as well as use GSDL shipping
matepnew 🚀
submitted Shaw! for review ago
1Mon
requested changes for Shaw! ago
please optimize the PCBA as well as use global standard direct line shipping! It should be 5-10 dollars for shipping.
matepnew 🚀
submitted Shaw! for review ago
technical_.
requested changes for Shaw! ago
Please make sure that the BOM is optimized, and uses mostly basic parts. The tutorial PCBA should only cost around ~$40.
matepnew 🚀
submitted Shaw! for review ago
matepnew 🚀
added to the journal ago
Final touches
Fixed the errors that showed up when I ran the DRC, mostly clearance issues and a couple of missing ground connections. After that, I added a little hornet to the silkscreen (I named this project shaw because it was the first thing that came to mind when I started, as I was playing multiple hours of Silksong every day) and my username. Finally, I touched up the README a bit to be able to ship the project.
Here's the (hopefully) final PCB layout

And the 3D model

NotARoomba 🚀
gave kudos to Shaw! ago
ohhhh yea
matepnew 🚀
added to the journal ago
PCB work
While working on and off due to other stuff, I added all remaining components to the PCB and routed them. I expanded the PCB a bit to make way for the GPIO tracks, as the components for the battery take up quite a bit of space. Even with the extra space, it was a bit hard to route GPIOs (and everything else to the RP2040 really). Next up, I'll make sure to fix any mistakes, and clean up the silkscreen.

matepnew 🚀
added to the journal ago
Started work on the PCB
With the schematics done, I started reading the guide's section on the PCB. As such, I started by adding the footprints for each component. As I entered the PCB editor, I noticed there were a few minor errors in the schematic, which I fixed. Afterwards, I placed the header pins, RP2040, USB receptacle, crystal oscillator and decoupling capacitors following the guide. Also began routing the PCB, though I'm still missing most of it. Planning on finding a spot for the battery charger and finishing the PCB soon so I can start working on the other projects I have in mind.


matepnew 🚀
added to the journal ago
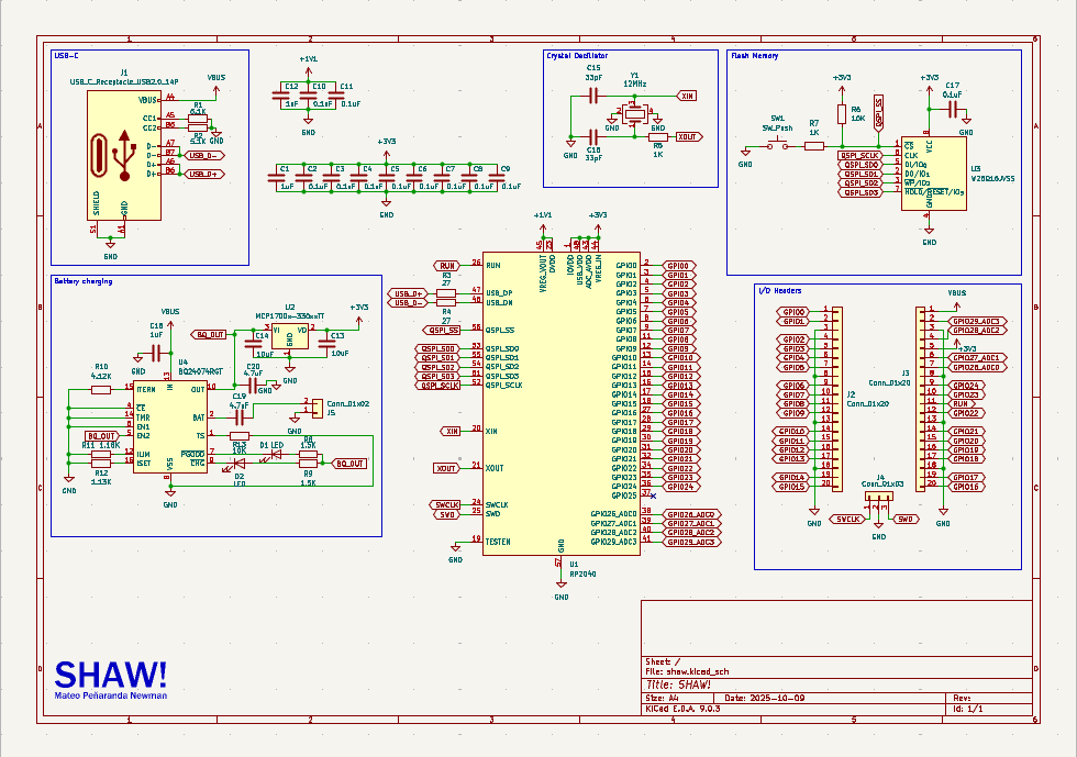
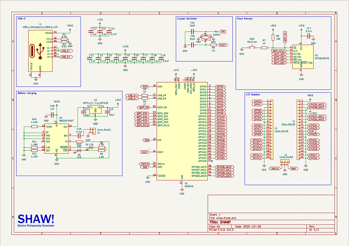
Added battery charging
I added support for battery charging with a Texas Instrument BQ24074 chip to make the devboard more versatile. Also rearranged the schematic to add space for said battery charger without having to expand the schematic and added a nice title. Will take a silksong break and afterwards start making the PCB.

matepnew 🚀
added to the journal ago
Made schematic
Started by following the guide; added capacitors to power lines, USB-C and its voltage regulator, crystal oscillator, flash memory and I/O headers. Also researched a bit about decoupling capacitors and piezoelectricity (very cool). Planning to maybe add support for a battery and start making the PCB tomorrow.

matepnew 🚀
started Shaw! ago