Timeline
CAN ⚡🚀
submitted SCD-CNC for review ago
CAN ⚡🚀
submitted SCD-CNC for review ago
diaxx
submitted SCD-CNC for review ago
diaxx
added to the journal ago
Re clarification
As I said I'm not going to build this I only want those tickets not a grant ( for 3d printer) because I have so much going on please just give me those tickets 🙏😭
Iamalive 🚀
requested changes for SCD-CNC ago
Your cart screenshots should be from the actual site(I know you're not planning on building it but, what about getting the grant now? Since the card won't expire for I think 2 years?)
diaxx
submitted SCD-CNC for review ago
diaxx
added to the journal ago
Last touches (hopefully)
- Repo
- Added links in BoM section (Readme.md)
- Included links in BOM.csv
- Implemented the full journal.md
- Improved the README :D
Please reviewer, could I get tickets instead of a grant? I’m in a tough spot with exams and spent all of this week building this CNC. (i really need to lock in)

3D printer here i come (:
diaxx
added to the journal ago
Working on modularity
I added a laser module to the machine. Swapping between the milling head and the laser head is really easy:
1.Remove the four mounting screws.

2.Take off the spindle and the 3D-printed front cover.

3.Place the laser module in position and secure it using the four screw holes

4.install the 3D-printed cover.

And just like that. The machine is ready for engraving.
diaxx
added to the journal ago
Controlling Grbl_ESP32
I’ll be controlling the CNC through Universal G-Code Sender. The whole setup will be accessible through a Web-UART interface, so I can run it directly from a browser without needing a dedicated PC.

diaxx
added to the journal ago
PSU case
RENDER OF BOTH THE CNC AND PSU

this look fire
THE CASE
Made a 3D-printed power supply case in Fusion 360 and mounted it on the CNC. It actually came out looking really good!! I dropped the STL into the repo under the 3D-printable folder so it’s all organized. 

diaxx
added to the journal ago
some change
PCB
- Cleaned up the layout and added proper mounting holes so the board can be fixed down
- added some arts (m4 and blueprint logo)
Repo
- Made a KiCad folder and added the Gerber files. Tweaked the CAD folder too(screws , brackets and lead screw nut). Also added a new PCB section in the README.md so everything look Nicer .
- added a whole render folder in the repo
- researched a PSU since i forgot about it then added it to the BoM

diaxx
added to the journal ago
firmware
the cnc is going to run Grbl _ Esp32 firmware i added it in the repo
added pin configuration ( pins_scdc.h ) in the firmware folder
also added the gerber of the cnc shield from kicad 
diaxx
added to the journal ago
fixed the repo

made a logo using canva and enlarged the bom then added the price in dollar and mad
made a name for this project, updated the cad file ( SCD-CNC which stand for Super Cool Desktop CNC) 

diaxx
added to the journal ago
some change to the shield
Added proper 2-pin connector for adjusting the micro-stepping then made 2 socket pin for the limit switch mod. Also added a screw terminal for the big emergency stop button so it can cut the 24V line instantly. Makes the CNC safer and way less sketchy.


diaxx
added to the journal ago
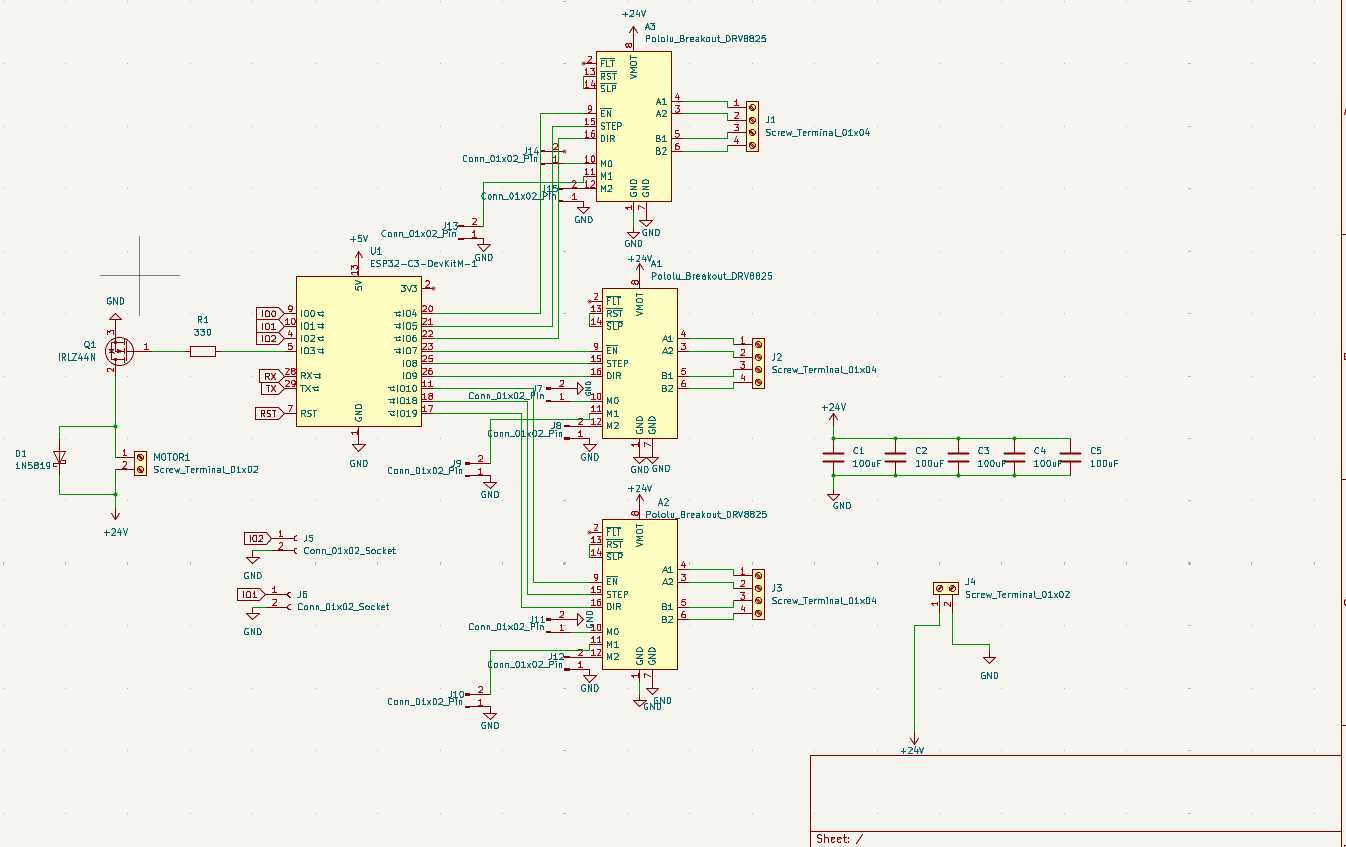
made the cnc shield 1
I researched the available drivers and chose the DRV8825 because it handles higher current and offers finer microstepping. I finished the schematic, then routed the PCB. It took me three attempts, but I eventually settled on this design. i will probably upgrade or even change it since i m not a big fan of the layout nor screw terminal this took so much time i know its simple but im not that good in electrical engineering.
schematics

pcb layout

3d view

diaxx
added to the journal ago
finishing touches
i made some final changes to the design ( fillets etc... ) also changed the readme.md . Now i can hop onto the next task making the pcb
the final design

bare bone

the 3d printed components

diaxx
added to the journal ago
changed the layout
I shortened the frame to save money and i reinforced the Y axis extrusion with a 20mm plate since i changed the whole layout the dimensions now are 469*400mm
plate moving


diaxx
added to the journal ago
made the bom and repo
just created a repo for this project added a readme.md , the cad files ( with the full assembly ) and Bill Of Material next task is probably making the electronics 
diaxx
added to the journal ago
WHOLE REMAKE
I didn't like it cuz it was so small SO i stayed all night making this cnc router thats now modular just swap the head !! its better its bigger and yellow which is also cool. ill make a bom and a repo ! 

diaxx
added to the journal ago
finished the design

after 2 hours i finally finished making this cnc milling machine im so exhausted + i need to recheck those stepper motor and their support . tomoroww i will try to make the controller, the github repo and the BOM

diaxx
added to the journal ago
Y axis
Me again I’ve finished designing the platform for the Z-axis, and now I’m moving on to modeling the Y-axis for my CNC mill/plotter project this where i will make it modular 
diaxx
added to the journal ago
Z axis
made the Z axis structure i just used the same component next goal is to make the Z platform where will be the Y axis and the spindle or the module or whatever ...
diaxx
added to the journal ago
FINISHED THE PLATFORM
SO I finally added the platform added the platform everything going well For now hopefully i design the y axis in the next hour hopefully but i would still need 3d models of some component like the spindle , the extrusion etc 
diaxx
added to the journal ago
Added the x movement
so I designed a 3D-printed shaft-support brackets to hold the two guide rods for the X-axis. They keep the rods aligned, and I’ll add the platform next.
diaxx
added to the journal ago
making the base
Hi ! I started by designing the base of my CNC mill/plotter in Fusion 360 , I used 20×20 T-slot aluminum extrusion. The frame measures about 239.5 × 200 mm, and I added 3D-printed brackets to hold everything firmly in place
diaxx
started SCD-CNC ago