ESP32-NAT
ESP32 NAT Router is a tiny, custom ESP32- based PCB that turns Wi-Fi into a portable NAT router. Powered by Martin Gerβs ESP32 NAT Router firmware, it enables network bridging, client isolation, and internet sharing in a fully DIY, open-hardware package.
Created by
Jaydev π
Tier 3
6 views
1 follower
Timeline
Iamalive π
requested changes for ESP32-NAT ago
It looks like your readme is made by ai, which we do not tolerate. Additionally, please include your pcb files in your repo!
Jaydev π
submitted ESP32-NAT for review ago
Jaydev π
added to the journal ago
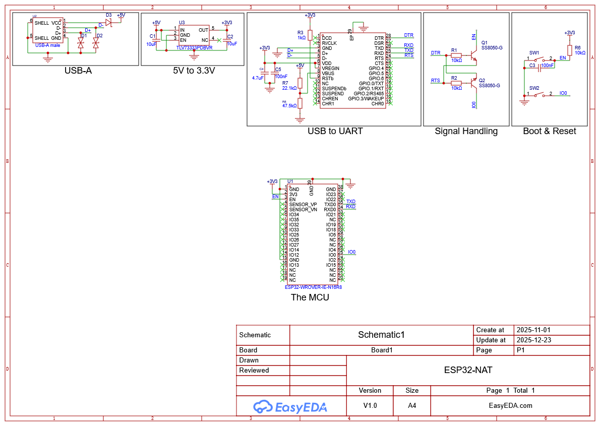
Revised the Schematic
I was doubtful about my schematic and routing. Therefore, I revised the entire schematic. There were a few things to be resolved. Also I forgot to route 3v3 !!!! Here's the updated schematic and PCB-



Jaydev π
added to the journal ago
Routed the PCB
The placement was quite challenging, but I managed to fit all of the PCB in 42mm. I routed all the components and chose 4 layer stackup with 1 3v3 and 1 GND plane. I hope the cost is less than $60. Here's the work done today.


Jaydev π
added to the journal ago
Completed the USB-UART IC
I completed the USB-UART IC schematic with the help of Espressif's ESP32 devkit schematic and Robert Feranec's video. Here's the image of the work done.

Jaydev π
added to the journal ago
Started the schematic
After a long break from blueprint I cam back to work on this project. I took reference from the Espressif's ESP32 devkit schematic and Robert Fernec's videos too. This what I have cooked for now. I will do the USB to UART later.

Jaydev π
added to the journal ago
Initial Planning
Explored various ESP32 modules and found ESP32-WROVER-32IE-N16R8 to be interesting because it has a big flash (16MB) and PSRAM (8MB) which is good for a ESP32 based NAT router. I am planning to keep male USB-A so that i can directly plug it into adapter. Also there will be an external SMA antenna to boost the WiFi range and speed. Here is the block diagram I have prepared today-

Jaydev π
started ESP32-NAT ago