Timeline
Tanook 🚀
added to the journal ago
Big brain move
under the guidance of king kai, I have decided to make a devboard for the sole purpose of making my dream split keeb possible. Will I fail? Yes! Will I try? Yes! yipiii!!!

See u at my grave site as I fail brutallu
Tanook 🚀
added to the journal ago
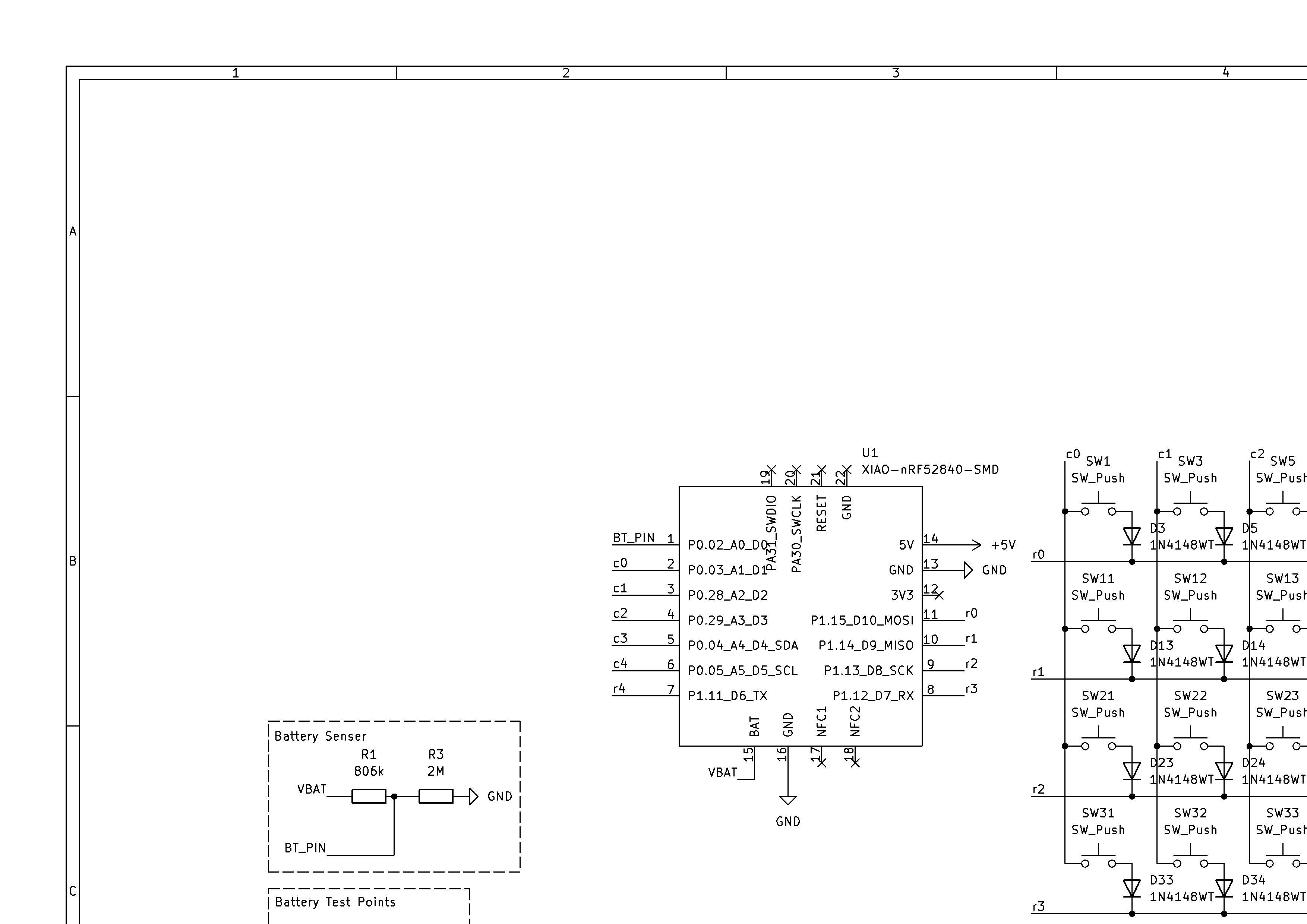
Finished Schematic
I added the battery sensor and battery test points. I spent a while trying to find alternative in order to get more GPIO to add a rotary encoder and OLED, but I could not find one compatible with ZMK, and honestly, I can have the oled stuff on my computer though firmware so woop womp. ill just add cool cad stuff.


Tanook 🚀
added to the journal ago
Made Keeb schematic
IDK why I took so long, I removed an hour to kind of self-filter time I may have been distracted, but heres what I did:
I installed panelization.pretty for mousebites, and it took a while since I was confused (this was probably my main downfall)

^^^ created basic keeb schematic
Tanook 🚀
started Split Keeb ago