Custom Devboard
A custom devboard following the tutorial I am doing this to go to prototype
Created by
PenguinBoyMo
Tier 3
18 views
1 follower
Timeline
CAN ⚡🚀
approved Custom Devboard ago
Tier approved: 3
Grant approved: $45.00
nice
Custom Devboard was submitted for review ago
PenguinBoyMo
added to the journal ago
Github stuff
I did all the github stuff and the JLCPCB this was easy and helped me get to know the basics of shipping projects, this was a fun project I'll admit there were some hard parts but there were also easy part's you just need to push through it because it worth it and at the end of the day,
Hard work really does pay off you just need the effort and dedication, peace out.
PenguinBoyMo
added to the journal ago
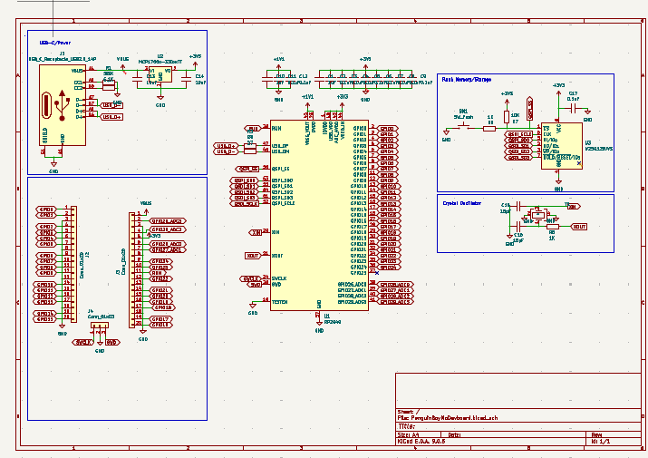
Routed The PCB
Damn, TS was hard, bro. I don't know if I'm exaggerating. Still, it's done finally, I'll take a break and do all the GitHub stuff I should've set up before. I also got the pins to face the right side and made sure it looked EXACTLY like the tutorial took 3 hours to route it because I'm slow, and 30 minutes to set up footprints and fix mistakes
PenguinBoyMo
added to the journal ago
got kinda of carried away
The goal was 30 minutes but when I check the timer it said 3 hours well time does fly when your having fun next is pcb and connecting up the footprint to the PCB, this has been a good day for blueprint overall I did 4 or 5 journal entries, so far it's been smooth sailing but choppy waves maybe up ahead I named it Artic2040 because of the RP2040 thing this is all for now
PenguinBoyMo
added to the journal ago
Another 1.5 Hours Later
I did 3 more sections in this half hour, I will finish the schematic before I finish off my blueprint work today I think this'll take another .5 hours don't have much to say for this one
PenguinBoyMo
added to the journal ago
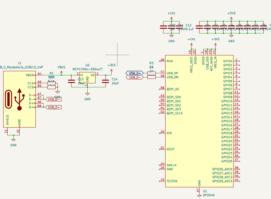
Hour 1.5
followed the guide added the USB and added the capacator it's really easy but it seems hard I want to finish this up today so I'm getting back to work
PenguinBoyMo
started Custom Devboard ago