MeowBoard
A custom PCB devboard based on the RP2040 chip..
Created by
matej.bielik
Tier 3
17 views
0 followers
Timeline
CAN ⚡🚀
approved MeowBoard ago
Tier approved: 3
Grant approved: $47.00
nice project
matej.bielik
submitted MeowBoard for review ago
matej.bielik
added to the journal ago
Added new Build in LED
sooo i added a build in led on Gpio0 and fixed few stuff.. Now it should meet all needs/requirements for this project. I really enjoyed making this one :3

NotARoomba 🚀
requested changes for MeowBoard ago
Hey your devboard looks good and I like the silkscreen but could you add in something to make it unique? It's really similar to the guide
matej.bielik
submitted MeowBoard for review ago
matej.bielik
added to the journal ago
Finishing steps, PCB, Footprints and other stuff
Well i read the entire guide once again and I fixed few stuff, pushed the REPO, made the price calculations and other stuff needed.
I think that the first version will get rejected as I didn't really add anything other than own art and did some price optimalisation so its cheaper..
If you want i can add like build in light, motor idk something but I wanna know if everything I have to this point is fine, yk like a checkpoint that before i move on to the custom stuff i wanna have confirmation i wouldnt have to rebuild the entire thing from scratch again just to remake something :3
also the price rn is $34.63 for PCB + PCBA

matej.bielik
added to the journal ago
Finishing silkscreen and making GIT repo


Finished the design and now I'm moving on to calculating the price of the PCB and finishing the git repo, readme and stuff like that..
The design is really simple but thats what i like about it
matej.bielik
added to the journal ago
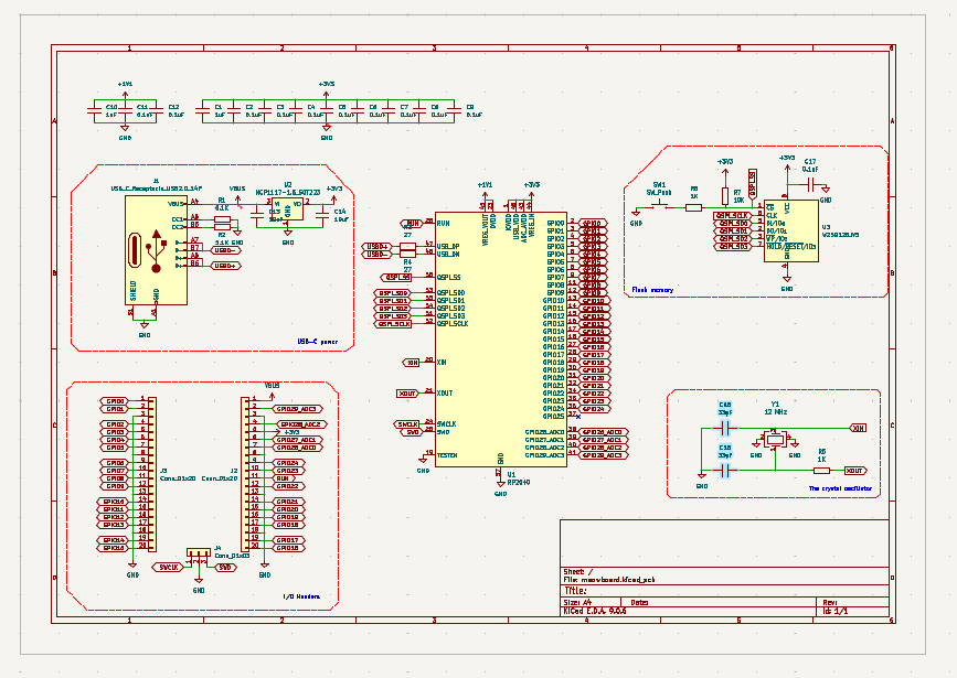
Routed the PCB
Soooo i made the PCB yeyyy!
well not fully but i did the PCB design and all routes.. I also added some gpio pins helpers so I can use it more easily :3

matej.bielik
added to the journal ago
Finished Schematic and assigned footprints

I finished all schematics and footprints, next up I'm moving on to the PCB.. I'm most excised for that part out of the entire process prob lol.. It's going smoothly so far :3
matej.bielik
added to the journal ago
Reading the guide, brainstorming and starting the project
I'm following the Custom Devboard guide but i wanna apply my own silkscreen and mby add something own but I'm not sure if I'm gonna be capable of that..
I have few ideas too..
So far i started with most of the schematic and have nearly everything except the IO headers :3

matej.bielik
started MeowBoard ago