Timeline
Alex 🚀
added to the journal ago
Made 3d model
3D model created using easyeda's premade stuff and manually imported models. This will allow cases to be built more easily as it provides an idea of how the board is shaped.

Alex 🚀
added to the journal ago
Created Order on JLC PCB
Created an order on jlcpcb with the new parts and decreased extended parts on the BOM to make it cheaper. All capacitors and resistors are now 0603 footprint.

Alex 🚀
added to the journal ago
Redesigned PCB
I redesigned the pcb to comply with jlcpcb's economic pcba ordering requirements. I had 201 capacitor components but they don't support those for economic pcba.

CAN ⚡🚀
approved RP 2040 Dev Board ago
Tier approved: 4
Grant approved: $47.00
Alex 🚀
submitted RP 2040 Dev Board for review ago
Alex 🚀
added to the journal ago
Got new cart image
I got a new cart with corrected amounts to lower price of the pcb into the bracket below tier 3. this will overall decrease total cost to blueprint and allow them to support more projects like this.

Alex 🚀
added to the journal ago
Corrected Chip used
Changed chip as the one previously selected was a 128mbit chip instead of 16mbit this wouldn't be compatible with the rp2040 due to it having a max flash size

CAN ⚡🚀
requested changes for RP 2040 Dev Board ago
Please get the minimum quantity of 2 PCBA's and resubmit please.
Alex 🚀
submitted RP 2040 Dev Board for review ago
Alex 🚀
added to the journal ago
Did a touch up to my README
Did a touch up to my README:
- Resized images
- removed an image
- added pinout info
- added debug pinout info ( swd, gnd, swclk )
- improved summary
- corrected file path
This improved readability, and improved the experience of reading and viewing the README.md


Alex 🚀
added to the journal ago
Created Order on JLC PCB
I created production files and edited BOM and CPL to be correct as some Capacitors were set to the wrong value. This was also spent adding images to my README.md although they aren't organised the best. Instead, they are below the important text, so it is more like a gallery below and not a detailed explanation.

Alex 🚀
added to the journal ago
Added HackClub Branding
Added HackClub stuff onto the pcb to show where it came from no matter who is looking at it, and free marketing is always fun, right? Added orpheus-flag-top and hackclub-rounded-icon. as there was empty space on the back and there was a perfect slant on the board outline for the orpheus flag top
All images from here


Alex 🚀
added to the journal ago
Quick Render ;D

** BEGINNING OF YAP **
This is rendered with a blue pcb as it was the default pcb it gave me, this shows the individual parts of the pcb: resistors, mcu, capacitors, linear voltage regulator, usb-c port ( Universal Serial Bus - Type C )
** END OF YAP **
Alex 🚀
added to the journal ago
Routed PCB
I routed the pcb across 2 layers this design includes pin tabs that reach the outermost part of the board but causes errors as a consequence although this should be fine, at least I hope it will. This operates with 1x7 pins with the same pin out as the Seeed Studio Xiao Rp2040.

Alex 🚀
added to the journal ago
Kicad to Easy Eda
I moved my project from kicad to easyeda due to footprints being on easy eda already which means I don't need to create each of the footprints for my project that aren't in kicad from scratch. This saves time and also has more streamlined ordering method as easy eda and jlcpcb are heavily linked

Alex 🚀
added to the journal ago
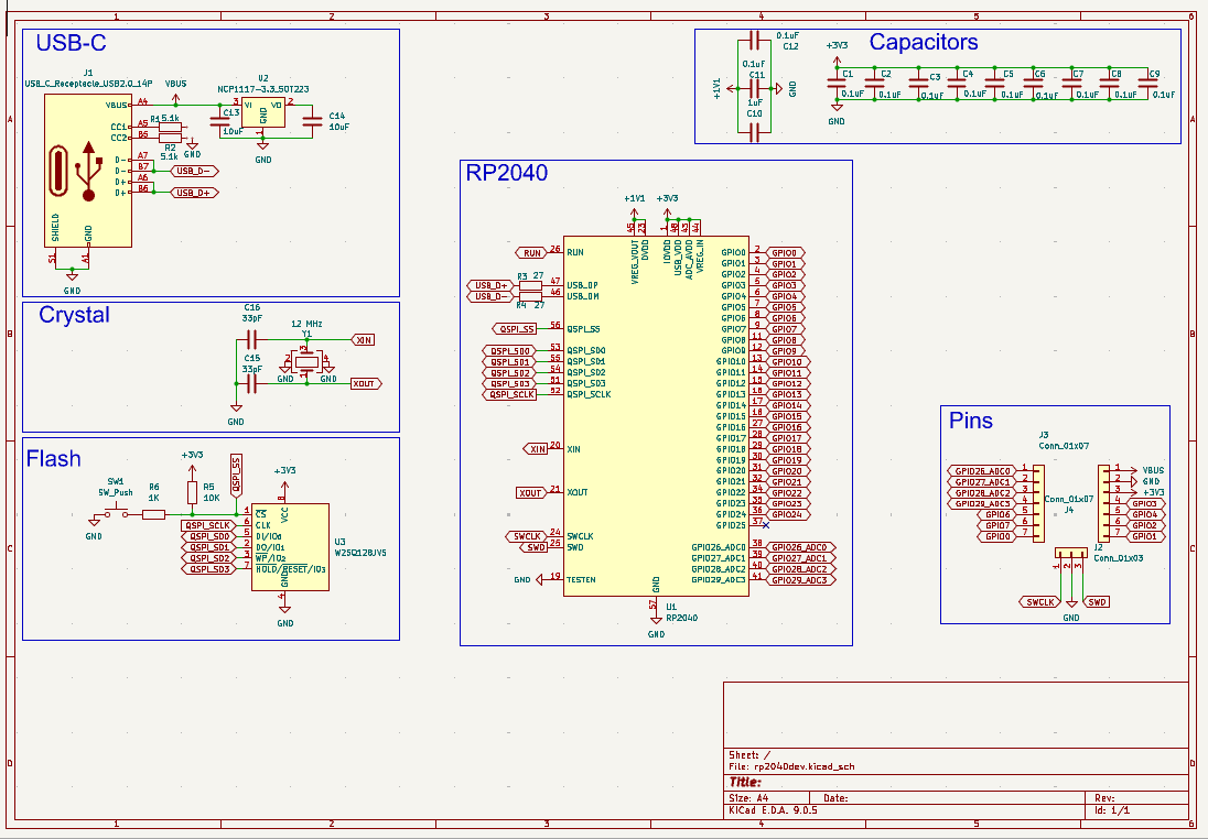
Made Schematic
Created Schematic
Chose to use 14 pins to attempt to mimic the Seeed Studio Xiao form factor
Potentially even using the same footprint to make it potentially interchangeable and possibly a HackClub rp2040 xiao form factor board. This could allow more smaller boards for macropads and such that don't need full size picos

Alex 🚀
started RP 2040 Dev Board ago