Revised Pico Key
A Revised version of my pico key using usb-a male pcb and a rgb led along with the original blue led
Created by
Alex 🚀
Tier 3
22 views
0 followers
Alex 🚀
added to the journal ago
Routed the PCB And Added Some Silkscreen Designs
I routed the entire PCB in a small form factor with notches that stick out to give better grip when inserting and removing, and a keyring.
- Grounded Key Ring Hole
- BOOTSEL Button
- USB-A Interface


Alex 🚀
added to the journal ago
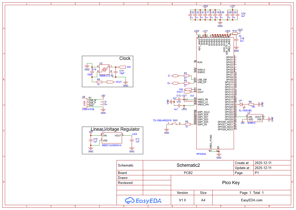
Created Schematic
I created the schematic following the hardware design sheet for the rp2354A.
- The board has a RP2354A (with onboard storage)
- A USB A PCB Male
- A SK6812 RGB LED
~Note that i fixed the unconnected USB data nets
Alex 🚀
started Revised Pico Key ago
12/11/2025 6 PM - Created Schematic
I created the schematic following the hardware design sheet for the rp2354A.
- The board has a RP2354A (with onboard storage)
- A USB A PCB Male
- A SK6812 RGB LED
~Note that i fixed the unconnected USB data nets
12/11/2025 8 PM - Routed the PCB And Added Some Silkscreen Designs
I routed the entire PCB in a small form factor with notches that stick out to give better grip when inserting and removing, and a keyring.
- Grounded Key Ring Hole
- BOOTSEL Button
- USB-A Interface

